Центр продуктов
Шаровой клапан типа JIS F7388 U&S
Технические данные:
Standard | Nominal Pressure | Nominal Diameter | Applicable Medium |
JIS F7388 | 20K | 6~10 | Oil,Gas,Water |
![]()
Материал основных частей:
Item | Parts Name | Material | Code |
1 | Body | Cast Bronze | BC6 |
2 | Disc | Bronze | BC6 |
3 | Stem | Brass | H62 |
4 | Bonnet | Cast Bronze | BC6 |
Основные данные:
Type | Size | IMPA CODE | Pipe Out.Diam | Thread | Weight kgs | |
Copper | Steel | |||||
S type | 20K6 | 750551 | 8&10 | 10.50 | M20x1.5 | 0.81 |
20K10 | 750552 | 15 | 17.30 | M24x2 | 1.22 | |
Type | Size | IMPA CODE | Pipe Out.Diam | Thread | Weight kgs | |
Copper | Steel | |||||
U type | 20K6 | 750556 | 8&10 | 10.50 | - | 0.85 |
20K10 | 750557 | 15 | 17.30 | - | 1.37 | |
Кран из морской бронзы JIS F7388 U Тип 20K:
![]()
Кран из морской бронзы JIS F7388U — это шаровой клапан из морской бронзы 20K.
Стандарт конструкции: JIS F7388-1996
Стандарт испытаний: JIS 7400-1996
Номинальное давление: 20 кг
Давление гидравлического испытания: корпус — 42 кг, заглушка — 30,8 кг
Основной материал:
1-Body: Bronze (BC6)
2-Plug: Bronze (BC6)
3-Stem: Brass (C3771BD)
Основной список размеров (мм):
Type | IMPA | Size | Copper Pipe Outside Diameter | Steel Pipe Outside Diameter | L | L1 | H | B2 | D2 | Weight(kg) |
U type | 750556 | 6A | 8 | 10.5 | 64 | 82 | 100 | 30 | 63 | 0.85 |
750556 | 6A | 10 | 10.5 | 64 | 82 | 100 | 30 | 63 | 0.85 | |
750557 | 10A | 15 | 17.3 | 72 | 96 | 115 | 41 | 80 | 1.37 |
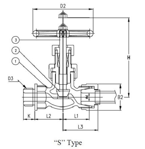
Кран из морской бронзы JIS F7388 S Тип 20K:
![]()
Стандарт проектирования: JIS F7388-1996
Стандарт испытаний: JIS 7400-1996
Давление гидравлического испытания: корпус — 42 кг, заглушка — 30,8 кг
Pressure Rating | |
Fluid Condition | Max. working pressure Mpa (Kgf/cm2) |
steam of 205℃ or less | 1.57 (16) |
air, gas, oil & pulsation water | 1.96 (20) |
non-shock water of 120℃ or less | 2.75 (28) |
Основной материал:
1-Корпус: Бронза (BC6)
2-Заглушка: Бронза (BC6)
3-Стержень: Латунь (C3771BD)
Основной список размеров (мм):
Type | IMPA | Size | Copper Pipe Outside Diameter | Steel Pipe Outside Diameter | L1 | L2 | L3 | K | D3 | H | B2 | D2 | Weight(kg) |
S type (Screwed) | 750551 | 6A | 8 | 10.5 | 32 | 32 | 41 | 12 | M20*1.5 | 100 | 30 | 63 | 0.81 |
750551 | 6A | 10 | 10.5 | 32 | 32 | 41 | 12 | M20*1.5 | 100 | 30 | 63 | 0.81 | |
750552 | 10A | 15 | 17.3 | 36 | 35 | 48 | 16 | M24*2 | 115 | 41 | 80 | 1.22 |
