Центр продуктов
Головка воздухоотводчика может называться головкой воздуховода, используется для вентиляции масляного или водяного резервуара на судне.
Стандарт проектирования: JIS F3012-1990
Стандарт испытаний: JIS 7400-1996
Размер фланца согласно JIS B2220 - 5K
Размер фланца также может быть изготовлен согласно 10K, 16K.
![]()
Функция головки воздухоотводчика:
Головка воздухоотводчика (головка воздухоотводчика) — это обратный клапан, используемый для системы вентиляции масляного или водяного резервуара. Он поддерживает давление в резервуаре на уровне проектного давления путем дыхания или вдыхания. Когда давление высокое, он дышит. Когда давление низкое, он вдыхает. А также имеет функцию предотвращения попадания морской воды, дождя, насекомых, мышей и искр в резервуар.
Основной материал:
Корпус: FC200/FCD450 (чугун/чугун с шаровидным графитом)
Поплавковый диск: SUS304 (нержавеющая сталь)
Резиновое кольцо: NBR
Сетка: SUS304 (нержавеющая сталь)
Крышка: углеродистая сталь с оцинк.
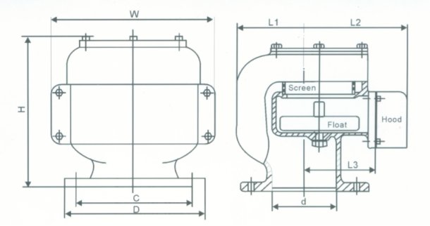
Основной список размеров (мм):
Nominal Size | d | L1 | L2 | L3 | H | D | C | W | Weight (kgs) |
50 | 50 | 75 | 103 | 75 | 180 | 130 | 105 | 135 | 7 |
65 | 65 | 85 | 120 | 85 | 210 | 155 | 130 | 155 | 9 |
80 | 80 | 90 | 153 | 100 | 245 | 180 | 145 | 190 | 14 |
100 | 100 | 110 | 160 | 110 | 270 | 200 | 165 | 225 | 16 |
125 | 125 | 130 | 195 | 130 | 310 | 235 | 200 | 265 | 23 |
150 | 150 | 155 | 225 | 150 | 355 | 265 | 230 | 300 | 33 |
200 | 200 | 200 | 295 | 180 | 440 | 320 | 280 | 400 | 56 |
